可控硅触发板
联系人 : 嵇先生
电话 : 021-37528292
邮箱 : www.casalucia.org
手机 : 13636400688
传真 : 021-37528292
地址 : 上海市奉贤区南桥镇新民港路175-16号
联系人 : 嵇先生
电话 : 021-37528292
邮箱 : www.casalucia.org
手机 : 13636400688
传真 : 021-37528292
地址 : 上海市奉贤区南桥镇新民港路175-16号
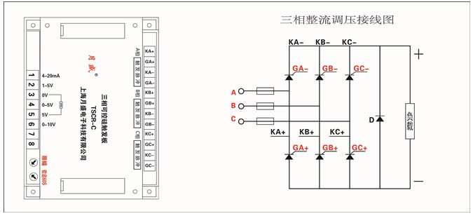
TSCR-C(完全替代老型号TSCR-B)三相可控硅触发板(触发器):本控制板由高性能单片机作为控制、运算放大器、脉冲变压器等单元组成.用来触发可控硅实现移相调压功能,输出线性化程度高,输出起控点低,对负载电压实现无级调节,本公司专业从事研发十几年,有着多种现场应用经验,多次改板优化,三相平衡度,称相对称性,抗干扰等,均达到炉火纯青地步,对三相调压、调光、焊机、控温、充电、三相整流、直流电机调速、励磁、电镀、电解、水处理、也可用于三相电机软启动、变压器的原边调压、风机调速、力矩电机调速等设备.



